GH3230 Высокотемпературный порошок

Порошок 625

GH4099 Порошок из высокотемпературных сплавов

718 Порошок

HA188 Порошок

More high-temperature alloy powder productsБольше высокотемпературных порошковых изделий
Также поставляются порошки марок M247, K438, M509, EP648, In939, никель или кобальтовый припой на основе металла с индивидуальным составом и размером частиц.
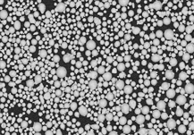
Порошковая морфология
GH3230
Hastelloy X
In 625
GH4099
In 718
HA188